日本NAKIANISHI中心出水主轴CTS-3030专注深孔加工 - batway必威登录

进口加工测量工具综合供应商

全国服务热线:136-1299-7620

139-2374-6165

产品详情分类

中心出水betwayapp官方下载 CTS-3030

日本NAKANISHI中心出水动力头CTS-3030,转速30000转/min,搭配大扭矩马达EM-3030T-J、EM-3030T-J-2M,可加工铝合金、不锈钢等材质的深孔。大于20mm以上的深孔加工选择CTS-3030是一个很不错的选择。

    日本NAKANISHI走心机用      中心出水钻孔动力头      钻深孔主轴CTS-3030


中心出水钻深孔主轴


    日本NAKANISHI中心出水钻孔动力头CTS-3030,转速30000转/min,搭配大扭矩马达EM-3030T-J、EM-3030T-J-2M,可加工铝合金、不锈钢等材质的深孔。大于20mm以上的深孔加工选择CTS-3030是一个很不错的选择。


中心出水钻孔动力头CTS-3030产品参数




    型号:CTS-3030

    转速:30000转/min

    夹持刀具:φ3.0、φ3.175、φ4.0mm

    跳转精度:1μm以内

    标配:扳手(8*5 9*11 22*27)各1枚

    日本NAKANISHI中心出水主轴CTS-3030,可加工小径φ3mm,深孔20mm及以上的深孔。


中心出水钻孔动力头CTS-3030产品特点




    (1)排出性向上

    (2)加工时间缩短,转速高,加工效率高。

    (3)延长工具使用寿命,中心出水,排屑能力强,不堵孔,因此能延长刀具的使用寿命。

    (4)精度高,跳转精度1μm以内

    (5)可加工材料:铝合金A5052、钢S50C、不锈钢SUS304


中心出水钻孔动力头CTS-3030应用原理



中心出水主轴原理.png

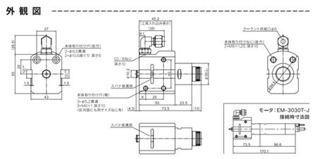
中心出水钻孔动力头产品尺寸CTS-3030




CTS-3030中心出水主轴.png


中心出水钻孔动力头CTS-3030产品配套



中心出水主轴钻深孔.png


中心出水主轴CTS-3030                                 1PCS

中心出水钻深孔马达EM-3030T-J                   1PCS

中心出水主轴电源线EMCD-3000J-6M          1PCS

中心出水主轴控制器E3000                            1PCS

中心出水主轴空气过滤器AL-C1204               1PCS


中心出水钻孔动力头   钻深孔加工案例



深孔加工中心出水主轴.png



在线留言0755-29695109
姓名:
手机:
备注:

提 交
Baidu
map