2.2KW轴向浮动主轴 大力矩浮动主轴 MSIY浮动主轴 - batway必威登录

进口加工测量工具综合供应商

全国服务热线:136-1299-7620

139-2374-6165

产品详情分类

2.2KW大力矩轴向浮动主轴

MSIY-AD80浮动去毛刺主轴,是单向浮动,可实现轴向浮动10mm,可通过气压调节浮动力,可应用于平面打磨,加工顶针位,端面,孔边,孔口毛刺等。可加装在立铣刀、旋转锉、钢丝刷、金钢石磨头等、钻头等。

MSIY-AD80轴向大力矩浮动去毛刺主轴  外径80mm 功率2.2KW


80mm径向浮动去毛刺主轴.jpg


MSIY-AD80浮动去毛刺主轴,是单向浮动,可实现轴向浮动10mm,可通过气压调节浮动力,可应用于平面打磨,加工顶针位,端面,孔边,孔口毛刺等。可加装在立铣刀、旋转锉、钢丝刷、金钢石磨头等、钻头等。


80单向浮动去毛刺主轴产品特点



MSIY-80径向浮动电主轴.jpg


    1.单向浮动,轴向浮动距离10mm,通过气压可调整浮动的力度,自带风扇散热。


    2.适合加工顶针位,端面,孔边,孔口毛刺。


    单向浮动主轴可搭配加工工具:


    立铣刀、旋转锉、锥度铣刀、钢丝刷、金钢石磨头,钻头。


80单向浮动去毛刺主轴产品参数



外径80mm径向浮动主轴.jpg


    型号: MSIY-AD80

    浮动方式:单向

    浮动范围:轴向10mm

    浮动压力:0.05-0.5Mpa

    动力形式:电动

    功率:800w

    电源:220v

    转速:24000转/min

    扭矩:0.8N·m

    夹头:ER11

    冷却方式:气冷

    重量:6Kg


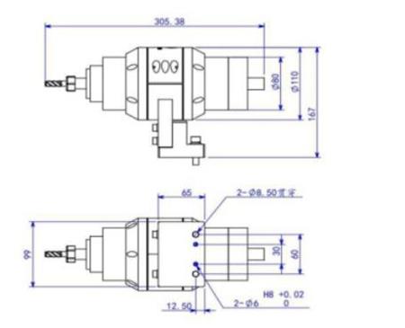
80单向浮动去毛刺主轴产品尺寸



径向浮动主轴产品尺寸.jpg


在线留言0755-29695109
姓名:
手机:
备注:

提 交
Baidu
map