mitutoyo数显千分表542-790 三丰千分表 必威平台官网 工具 - batway必威登录

进口加工测量工具综合供应商

全国服务热线:136-1299-7620

139-2374-6165

产品详情分类

mitutoyo数显千分表542-790

三丰mitutoyo数显千分表543-790,测量范围12.7mm,分辨力0.001mm,防水保护等级IP42级,电池连续使用寿命长达18000小时。

三丰mitutoyo数显千分表543-790


三丰数显千分表.jpg


   三丰mitutoyo数显千分表543-790,测量范围12.7mm,分辨力0.001mm,防水保护等级IP42级,电池连续使用寿命长达18000小时。


三丰数显百分表产品特点


(1)功能简单,使用方便快捷,成本低。

(2)分辨力0.001mm,防水防尘等级PI42级。

(3)采用三丰特有的ABS传感器,及时在关闭电源的情况下也能恢复到原点。

(4)液晶显示为9mm字符高度的“大文字”易读取。

(5)配有数据输出端口,使其能连入测量网络系统和统计过程控制系统。


三丰数显指示表型号及参数


货号型号测量范围分辨力            精度后盖型测力防水防尘保护等级
543-790ID-S112X12.7mm


0.001mm

全量程精度

0.003mm

回程误差

0.002mm

重复精度

0.002mm

带耳后盖1.5N以下IP42
543-790BID-S112XB平行后盖
543-794ID-S112PX


0.001mm

0.003mm0.002mm0.002mm带耳后盖2.5N以下IP53
543-794BID-S112PXB平行后盖
543-781ID-S1012X


0.01mm

0.02mm0.02mm0.01mm带耳后盖1.5N以下IP42
543-781BID-S1012XB平型后盖


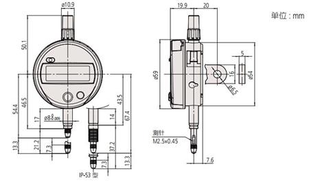
三丰数显指示表产品尺寸



三丰数显百分表尺寸.jpg


在线留言0755-29695109
姓名:
手机:
备注:

提 交
Baidu
map