ASKER硬度计BL型|日本ASKER橡胶硬度计|邵氏硬度计|深圳必威平台官网 工具总代理 - batway必威登录

进口加工测量工具综合供应商

全国服务热线:136-1299-7620

139-2374-6165

产品详情分类

ASKER橡胶硬度计BL型

ASKER橡胶硬度计BL型 BL型硬度计 采用ASTM D 2240标准,测量半硬质材料(中——高硬质),用途类似于B型硬度计

ASKER橡胶硬度计BL型


产品特点:




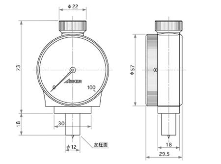
压针的外形是圆锥形梯形高度2.50mm



加压面与试料间接触的面积需在44*18mm尺寸范围以上的情况下才能正确测量,试料的测量部位狭小或者对凹陷部位进行检测的情况下,则使用长脚型硬度计(BL型)


规格选择图:




上图所示为橡胶硬度计的种类图, 根据试样的种类设计不同的硬度计. 符合 JIS K 6253标准的A型橡胶硬度计是最普遍最常用的一款.但是通常情况下,测量值在10点~90点之间,使用A型硬度计,A90点以上时使用D型硬度计(硬质材料使用),A20点以下时使用C型或E型硬度计(软质材料使用)。就是说,根据试料的种类选择合适的机型最重要。



规格尺寸:





在线留言0755-29695109
姓名:
手机:
备注:

提 交
Baidu
map