ASKER硬度计C2L型|ASKER硬度计|邵氏硬度计|必威平台官网 工具总代理 - batway必威登录

进口加工测量工具综合供应商

全国服务热线:136-1299-7620

139-2374-6165

产品详情分类

ASKER橡胶硬度计C2L型

ASKER橡胶硬度计C2L型 C2L型橡胶硬度计(邵氏) 主要应用于软质橡胶,海绵、以及其他发泡体的硬度测试,同时也广泛应用于测试绕线、胶片、布料等产品的硬度

ASKER橡胶硬度计C2L型


产品特点:



压针的外形是圆锥形梯形高度2.50mm


规格选择图:



上图所示为橡胶硬度计的种类图, 根据试样的种类设计不同的硬度计. 符合 JIS K 6253标准的A型橡胶硬度计是最普遍最常用的一款.但是通常情况下,测量值在10点~90点之间,使用A型硬度计,A90点以上时使用D型硬度计(硬质材料使用),A20点以下时使用C型或E型硬度计(软质材料使用)。就是说,根据试料的种类选择合适的机型最重要。



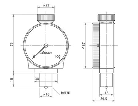
规格尺寸:




测量刻度

0 点 ~100 点 (262° 刻度)

最小刻度

1 点 (审定精度 ±1 点)

押针形状 mm

高 2.54 φ5.08半球

弹簧荷重 mN (g)

0 点    539(55)

100 点  4460(455)

加压面中心孔 mm

Φ5.5

加压面尺寸 mm

44×18 (长方形)

外形尺寸 mm

约宽57× 厚 30× 高 76

重量 g

200

用途

软橡胶、聚氨酯泡沫塑料、海绵、绕线 、胶片 、瓷土



在线留言0755-29695109
姓名:
手机:
备注:

提 交
Baidu
map