ASKER硬度计AL型|ASKER硬度计|邵氏硬度计|必威平台官网 工具总代理 - batway必威登录

进口加工测量工具综合供应商

全国服务热线:136-1299-7620

139-2374-6165

产品详情分类

ASKER橡胶硬度计AL型

AL型硬度计用于一般橡胶(中等硬度)。 是JIS K 6253-3、ISO 48-4、ASTM D 2240等国内外标准中广泛使用的“A型硬度计(中等硬度)”。是测量各种橡胶制品硬度的主流。

                                                                                                                         ASKER邵氏橡胶硬度计AL型


Asker橡胶硬度计AL型.jpg

AL型硬度计用于一般橡胶(中等硬度)。 是JIS K 6253-3、ISO 48-4、ASTM D 2240等国内外标准中广泛使用的“A型硬度计(中等硬度)”。是测量各种橡胶制品硬度的主流。


AL型硬度计产品特点:


测头的形状是一个圆锥形,2.50mm的高度。


AL型硬度计规格选择图:


上图所示为橡胶硬度计的种类图, 根据试样的种类设计不同的硬度计. 符合 JIS K 6253标准的A型橡胶硬度计是最普遍最常用的一款.但是通常情况下,测量值在10点~90点之间,使用A型硬度计,A90点以上时使用D型硬度计(硬质材料使用),A20点以下时使用C型或E型硬度计(软质材料使用)。就是说,根据试料的种类选择合适的机型最重要。


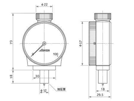
AL型硬度计规格尺寸:




符合标准

JIS K 6253
  JIS K7215
  ASTM D 2240
  ISO 7619
  ISO 868
  DIN 53505

测量刻度

0点 ~100 点 (262° 刻度)

最小刻度

1 点 (审定精度 ±1点)

押针形状mm

高2.50mm    35° 圆锥梯形  端面直径 φ0.79

弹簧荷重mN (g)

0 点        550(56)
  100点     8050(821)

加压面中心孔 mm

φ3

加压面尺寸 mm

44×18 (长方形)

外形尺寸 mm

约 宽57× 厚 30× 高 76

重量g

200

用途

普通橡胶 软塑料



在线留言0755-29695109
姓名:
手机:
备注:

提 交
Baidu
map