ASKER硬度计EL型|日本ASKER橡胶硬度计|邵氏硬度计|深圳必威平台官网 工具总代理 - batway必威登录

进口加工测量工具综合供应商

全国服务热线:136-1299-7620

139-2374-6165

产品详情分类

ASKER橡胶硬度计EL型

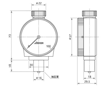
ASKER橡胶硬度计EL型 JIS K 6253、ISO 7619规定的软质橡胶(低硬度)使用的橡胶硬度计. 同C型橡胶硬度计同样的广泛使用。 主要应用于软质橡胶,海绵、以及其他发泡体的硬度测试,同时也广泛应用于测试绕线、胶片、布料等产品的硬度.

ASKER橡胶硬度计EL型

产品特点:




测针:高 2.50mm半球形压针


规格选择图:





上图所示为橡胶硬度计的种类图, 根据试样的种类设计不同的硬度计. 符合 JIS K 6253标准的A型橡胶硬度计是最普遍最常用的一款.但是通常情况下,测量值在10点~90点之间,使用A型硬度计,A90点以上时使用D型硬度计(硬质材料使用),A20点以下时使用C型或E型硬度计(软质材料使用)。就是说,根据试料的种类选择合适的机型最重要

规格尺寸:



在线留言0755-29695109
姓名:
手机:
备注:

提 交
Baidu
map