asker硬度计-橡胶硬度计-JAL型硬度计 深圳必威平台官网 工具总代理 - batway必威登录

进口加工测量工具综合供应商

全国服务热线:136-1299-7620

139-2374-6165

产品详情分类

ASKER橡胶硬度计JAL型

日本ASKER橡胶硬度计JAL型,符合JIS K 6301标准,适用于一般软橡胶硬度测量,可搭配电动、手动硬度计测试台配套使用。深圳必威平台官网 工具一级代理商,售后保障。

ASKER橡胶硬度计JAL型


JAL型橡胶硬度计产品特点



压针的形状高度2.54毫米的圆锥梯形


规格选择图



上图所示为橡胶硬度计的种类图, 根据试样的种类设计不同的硬度计. 符合 JIS K 6253标准的A型橡胶硬度计是最普遍最常用的一款.但是通常情况下,测量值在10点~90点之间,使用A型硬度计,A90点以上时使用D型硬度计(硬质材料使用),A20点以下时使用C型或E型硬度计(软质材料使用)。就是说,根据试料的种类选择合适的机型最重要。


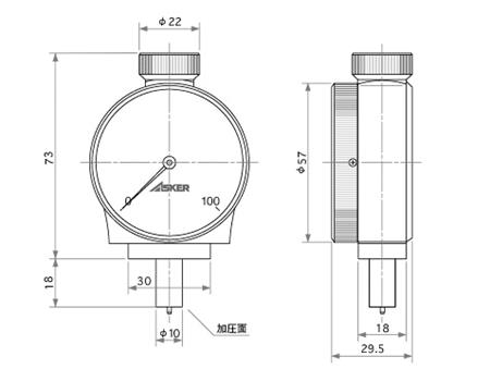
JAL橡胶硬度计规格尺寸



符合标准

JIS K 6301

测量刻度

0 点 ~100 点 (262° 刻度)

最小刻度

1 点 (审定精度 ±1 点)

押针形状 mm

高 2.54  35°圆锥形  端面Φ0.79

弹簧荷重 mN (g)

0 点    539(55)
  100 点   8379(855)

加压面中心孔 mm

Φ3

加压面尺寸 mm

Φ12 脚部长L 18

外形尺寸 mm

约宽57× 厚 30× 高 94

重量 g

200

用途

一般软橡胶材料


JAL水印.jpg



在线留言0755-29695109
姓名:
手机:
备注:

提 交
Baidu
map