日本大菱obishi平行直角定规,符合JIS B7526标准,用于进行平方测量。测量夹具和工具的直角、安装夹具和工具的直角、产品的直角等。
日本大菱obishi平行直角定规
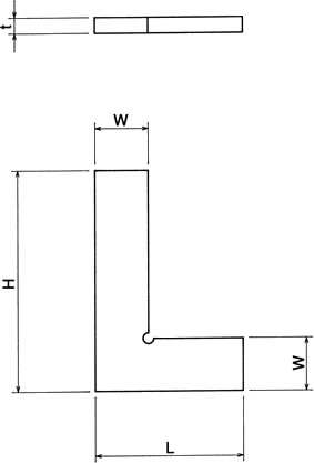
日本大菱obishi平行直角定规,符合JIS B7526标准,用于进行平方测量。测量夹具和工具的直角、安装夹具和工具的直角、产品的直角等。可分为1级硬化产品和2级非硬化产品两大类。
大菱平行直角定规产品示意图
型号 | 长度 | 尺寸(高×长×宽×厚)mm | 方形度(μm) | 重量(公斤) |
FA101 | 75 | 75×50×18×3 | ±14 | 0.1 |
FA102 | 100 | 100×70×20×4 | ±15 | 0.1 |
FA104 | 150 | 150×100×25×5 | ±18 | 0.2 |
FA105 | 200 | 200×130×25×8 | ±20 | 0.5 |
FA107 | 300 | 300×200×30×8 | ±25 | 0.9 |
FA108 | 400 | 400×200×40×8 | ±30 | 1.5 |
FA109 | 500 | 500×300×40×8 | ±35 | 2.1 |
FA110 | 600 | 600×325×50×11 | ±40 | 4.0 |
FA111 | 750 | 750×400×50×11 | ±48 | 5.0 |
FA112 | 1000 | 1000×550×60×12 | ±60 | 9.0 |
FA113 | 1500 | 1500×700×65×12 | ±85 | 14.0 |
FA114 | 2000 | 2000×1000×80×12 | ±110 | 24.0 |
大菱平行直角定规2级非硬化产品参数
型号 | 尺寸 | 尺寸(高×长×宽×厚)mm | 方形度(μm) | 重量(公斤) |
FB101 | 75 | 75×50×18×3 | ±27 | 0.1 |
FB102 | 100 | 100×70×20×4 | ±30 | 0.1 |
FB104 | 150 | 150×100×25×5 | ±35 | 0.2 |
FB105 | 200 | 200×130×25×6 | ±40 | 0.35 |
FB107 | 300 | 300×200×30×6 | ±50 | 0.6 |
FB109 | 400 | 400×200×40×8 | ±60 | 1.5 |
FB111 | 500 | 500×255×40×8 | ±70 | 1.8 |
FB112 | 600 | 600×300×40×8 | ±80 | 2.5 |
FB113 | 1000 | 1000×500×50×10 | ±120 | 5.5 |
FB114 | 1500 | 1500×700×65×12 | ±170 | 14.0 |
FB115 | 2000 | 2000×1000×80×12 | ±220 | 24.0 |
姓名: |
|
手机: | |
备注: |
|
提 交 |