4040-B20大扭矩电主轴-扭矩60N.m 采用ER11夹头 - batway必威登录

进口加工测量工具综合供应商

全国服务热线:136-1299-7620

139-2374-6165

产品详情分类

大扭矩低转速主轴4040-B20

国产大扭矩电主轴4040-B20,转速3000~20000转/min,直径:40mm,扭矩高达60N·cm,输出功率400W,高转速、高精度,采用无刷电机,产品寿命长;常作为车床动力刀头,用于钻孔、铣削加工。具有IP64防护等级,防水防尘。

国产大扭矩电主轴4040-B20


国产大扭矩电主轴.jpg


    国产大扭矩电主轴4040-B20,转速3000~20000转/min,直径:40mm,扭矩高达60N·cm,输出功率400W,高转速、高精度,采用无刷电机,产品寿命长;常作为车床动力刀头,用于钻孔、铣削加工。具有IP64防护等级,防水防尘。


国产大扭矩电主轴4040-B20产品特点




    1.具有高转速、高精度、大扭矩的特点;

    2.IP64防护等级,防水防尘;

    3.采用无刷直流电机,无碳刷和灰尘,产品寿命长;

    4.钻孔加工、铣削加工、车床动力刀头。


国产大扭矩电主轴4040-B20产品参数




主轴(钢球轴承)直径

 转速

主轴精度扭矩功率夹头重量
4040-B20Φ40mm3000~20000 min-11.5μm以内60N·cm400WER11系列:1.0~7mm1.1kg


    额定电压:36V

    电流:高达12A

    轴承:前2*钢球轴承+后2*钢球轴承,油脂润滑

    防护等级: IP64(空气流量100L/ min)

    锥面跳动:<1.5um

    冷却系统:气冷+夹具散热

    防水防尘:正压气幕防尘

    外壳材料:不锈钢

    内置温度传感器型号:内阻-10K;B值-3950

    内置电机类型:2极无刷直流电机


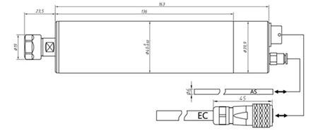
国产大扭矩主轴4040-B20产品尺寸




4040-B20国产大扭矩主轴产品尺寸.jpg



国产大扭矩主轴标准配置




    夹头类型:ER11板手夹紧

    夹刀范围: 1.0mm-7.Omm

    负载方向:轴向+径向


    工作位置:

国产大扭矩电主轴11.jpg

国产大扭矩主轴应用.jpg


在线留言0755-29695109
姓名:
手机:
备注:

提 交
Baidu
map