西铁城citizen电子比测探针DTH-L15 - batway必威登录

进口加工测量工具综合供应商

全国服务热线:136-1299-7620

139-2374-6165

产品详情分类

西铁城电子比测探针DTH-L15

西铁城电子比测探针DTH-L15,测量范围±0.5mm,测量行程1.5mm,测定力0.147N,重复精度0.3μm。适用于生产线上做自动化品控检测使用。

西铁城citizen电子比测探针DTH-L15


西铁城电子比测探针1.jpg


西铁城电子比测探针DTH-L15,测量范围±0.5mm,测量行程1.5mm,测定力0.147N,重复精度0.3μm。适用于生产线上做自动化品控检测使用。



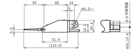
电子比测探针DTH-L15产品尺寸



西铁城电子比测量表产品尺寸.png


西铁城电子比测探针型号参数


探针型号:DTH-L02U

测量范围:±0.5mm

测量行程:1.5mm

测定力:0.147N

零点位置:约0.5mm

重复精度:0.3μm

测头摩擦压力:1.47N以上

精度保证稳定范围:24°c±5°C

使用温度范围:0-50°C

标准配件:电源线3M,测头F-138

在线留言0755-29695109
姓名:
手机:
备注:

提 交
Baidu
map