fine-techno浮动刀柄AF40 浮动主轴AF40 浮动去毛刺 - batway必威登录

进口加工测量工具综合供应商

全国服务热线:136-1299-7620

139-2374-6165

产品详情分类

fine techno浮动主轴AF40

日本fine-techno浮动去毛刺主轴AF40,可360°方向浮动5°,Z方向浮动5mm ,去毛刺过程中可吸收产品的形变量,自适应加工,有效的保护刀具,降低调试难度。

日本fine-techno浮动去毛刺打磨头AF40


    日本fine-techno浮动去毛刺打磨头AF40浮动,可360°方向浮动5°,Z方向浮动5mm ,去毛刺过程中可吸收产品的形变量,自适应加工,有效的保护刀具,降低调试难度。一般搭配日本NAKANISHIbetwayapp官方下载 进行柔性去毛刺。


AF40浮动电主轴.jpg


     Fine Techno 浮动打磨AF40套装由40mm高速电主轴+AF40浮动刀柄+E4000控制器+电源线组成套装使用,如下图所示:


Fine Techno AF40浮动套.jpg


FT浮动去毛刺打磨头AF40加工视频



    


  


FT浮动去毛刺打磨头AF40产品特点



    1.可360°方向浮动5°,Z方向浮动5mm

    2.去毛刺过程中可吸收产品的形变量,自适应加工,有效的保护刀具,降低调试难度。

    3.可机器人夹持工具使用,也可将工具固定,机器人夹持工件进行去毛刺作业。


    可推荐耗材:


    铣刀、旋转锉、锥度铣刀、钢丝刷、金钢石磨头、金钢石磨片、切割轮。


FT浮动去毛刺打磨头AF40产品参数




型号
浮动方式浮动范围浮动压力动力形式功率电源转速扭矩夹头冷却方式重量

AF40


360°360°±5°Z向5mm0.05-0.5Mpa电动600w36v200000.6N·mER11气冷3.7Kg



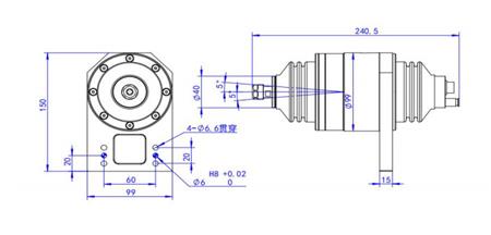
FT浮动去毛刺打磨头AF40产品尺寸



浮动去毛刺打磨头AF-40.jpg

FT浮动去毛刺打磨头AF40产品展示



AF40浮动式主轴.png


AF40浮动主轴尺寸.jpg



在线留言0755-29695109
姓名:
手机:
备注:

提 交
Baidu
map