机器人浮动打磨头-fine-techno浮动刀柄-AF30浮动电主轴 - batway必威登录

进口加工测量工具综合供应商

全国服务热线:136-1299-7620

139-2374-6165

产品详情分类

FT浮动去毛刺主轴AF30

日本fine-techno去毛刺浮动头AF-30,搭配日本NAKANISHIbetwayapp官方下载 ,加工精度高,可在工作中360度偏摆,使用寿命长,能用于铸铁,发动机缸盖,齿轮箱,涡轮室等不同材料和工件去毛刺加工。

日本fine-techno机器人浮动打磨头AF-30


浮动去毛刺主轴.jpg



    日本fine-techno自动化去毛刺浮动头AF-30,搭配日本NAKANISHIbetwayapp官方下载 ,加工精度高,可在工作中360度偏摆,使用寿命长,能用于铸铁,发动机缸盖,齿轮箱,涡轮室等不同材料和工件去毛刺加工。

AF30浮动刀柄.jpg


FT浮动去毛刺主轴视频合集




    



  

大型铝铸件浮动去毛刺



汽车轮毂浮动去毛刺


AF20/AF30/AF40浮动头产品特点


 

     它们是一种气浮式去毛刺附件,可以使用相同的去毛刺附件处理一个工作中存在的合缝线、水口毛刺等。


AF30浮动打磨主轴.jpg


    (1) 吸收 X 轴和 Y 轴方向的未测量部分

去毛刺浮动头1.jpg


    (2)吸收 Z 轴方向的未测量部分

Z轴去毛刺.jpg


    (3)浮力可根据工作材料自由调整


    1 、通过调节供应给气浮部分的气压,客户可以自由调节浮力(刀片的压力)。

    2、 使用精密调节器(标准附件)调节气压。

    3 、气压调节范围为0.05MPa至0.2MPa。

    4、 请注意,根据去毛刺棒压在工件上的姿势,浮动力会略有不同。

    5 、浮动力可以通过使用电动气动调节器实现自动化。

    6、主轴电机可自由选择


    (4)气浮式去毛刺附件允许客户自由选择和安装市场上销售的电主轴。如日本NAKANSIHI高速电主轴就是很好的搭配。


汽车轮毂浮动去毛刺主轴.jpg

图为汽车轮毂自动换刀浮动去毛刺主轴



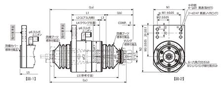
 FT浮动打磨头尺寸(单位/mm)




AF浮动头尺寸.jpg


FT浮动头空气安装示意图


空气安装示意图.jpg


    空气浮子 对于压力调节空气,通过精密调节器(附件)供应清洁空气。

    为了提供洁净的空气,请务必在气源和精密调节器之间安装空气过滤器。(电路图上的ALU-01是我们可选的空气过滤器)


在线留言0755-29695109
姓名:
手机:
备注:

提 交
Baidu
map