AF20浮动去毛刺 浮动去毛刺主轴 FT浮动刀柄 - batway必威登录

进口加工测量工具综合供应商

全国服务热线:136-1299-7620

139-2374-6165

产品详情分类

FT浮动去毛刺主轴AF20

日本fine-techno机械臂自动化去毛刺浮动刀柄AF20,可搭配20mm柄径的电主轴或者气动锉刀对材质较软的工件毛刺进行去除,如热砂芯去毛刺都可以使用AF20浮动打磨头来去除。

机械臂末端AF20自动化浮动去毛刺刀柄


AF20浮动去毛刺刀柄.jpg


日本fine-techno机械臂自动化去毛刺浮动刀柄AF20,是一种气浮式去毛刺附件,可以去除铸铁、铝合金、树脂等工件毛刺,搭配电主轴、气动锉刀就能使用,浮动力可以通过外部气压自动控制,气压调节范围为0.05MPa-0.2MPa,AF20浮动头可实现轴向上下5mm,径向360度±5°的双向浮动。


AF20浮动去毛刺刀柄特点


AF20气浮式去毛刺刀柄——针对去毛刺加工时具有以下优势:

1)刀具与工件柔性接触,可防止多切现象;

2)刀具与工件之间的压付力可以调节;

3)可消除工件误差、定位误差,确保刀具与工件亲密接触;

3)通过调整浮动力,可以同时去除很小的毛刺和比较的水口部。


AF20浮动去毛刺刀柄浮动方向


(1)径向浮动

AF20径向浮动主轴刀柄.jpg

AF20浮动去毛刺刀柄可自动吸收X轴和Y轴方向上末测量部分的毛刺

气浮(电机主轴安装部分)偏离(倾斜)轴最大5°,并且在偏离时可以在径向方向上自由移动360°。


(2)轴向浮动

AF20浮动去毛刺刀柄轴向浮动力.jpg

AF20浮动去毛刺刀柄还可自动吸手Z轴方向未测量不问的毛刺,AF20浮动去毛刺刀柄的轴向浮动力大小为上下5mm.


AF20浮动去毛刺刀柄浮动力怎么调节?



AF20浮动去毛刺刀柄的浮动力可根据工件材料自动调节:具体为


砂芯浮动去毛刺jpg.jpg


    1 、通过调节供应给气浮部分的气压,客户可以自由调节浮力(刀片的压力)。

    2、 使用精密调节器(标准附件)调节气压。

    3 、气压调节范围为0.05MPa至0.2MPa。

    4、 请注意,根据去毛刺棒压在工件上的姿势,浮动力会略有不同。

    5 、浮动力可以通过使用电动气动调节器实现自动化。


AF20浮动去毛刺刀柄可搭配什么工具加工?


AF20浮动去毛刺刀柄可搭配外径20mm的电主轴、气动主轴、气动锉刀等(20mm的安装孔)搭配使用耗材有:铣刀、旋转锉、锥度铣刀、钢丝刷、金钢石磨头、金钢石磨片、切割轮等。


AF20浮动去毛刺刀柄产品参数




型号 浮动方式浮动范围浮动压力动力形式功率转速扭矩夹头重量
AF20双向浮动

360°±5

°Z向5mm

0.05-0.5Mpa气动/电动120W19000
0.25N·m0.5-4.00.76kg


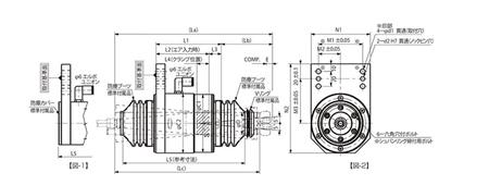
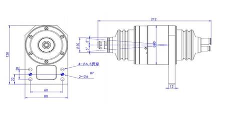
AF20浮动去毛刺刀柄产品尺寸



AF20浮动去毛刺刀柄产品尺寸.jpg


AF20浮动去毛刺刀柄尺寸.jpg

在线留言0755-29695109
姓名:
手机:
备注:

提 交
Baidu
map