NSK滚珠丝杆 紧凑型FA滚珠丝杆 必威平台官网 工具 - batway必威登录

进口加工测量工具综合供应商

全国服务热线:136-1299-7620

139-2374-6165

产品详情分类

紧凑型FA系列NSK滚珠丝杆

NSK标准库存滚珠丝杆小型FA系列,NSK标准库存滚珠丝杆小型FA系列 作为高速静音滚珠丝杆BSS系列的标准库存,可随时出货。这是兼备了高速性、静音及小型化特点的新一代滚珠丝杆产品。

NSK标准库存滚珠丝杆小型FA系列
作为高速静音滚珠丝杆BSS系列的标准库存,可随时出货。这是兼备了高速性、静音及小型化特点的新一代滚珠丝杆产品。

特点:小型化设计,静音,高速性

FA系列滚珠丝杆的特点



为随时应对多样化的需求,将端部导流循环方式的高速、静音、紧凑型的“紧凑型系列”作为标准在库。这一系列产品凭借其静音化的特点,广泛应用于半导体制造装置、液晶设备、安装机、检测仪器、食品、医疗器械、汽车生产线设备等各领域。


●静音

听觉上降低了 50%,噪音水平减小 6dB。

FA系列滚珠丝杆的静音特点.jpg


●紧凑

螺母外径最多可缩小 30%。以 XY 工作台的薄型化为代表,可用于各种机器装置的小型化设计。

FA型滚珠丝杆紧凑型特点.jpg


●高速

极限转速最高可达 5 000min’,可使用范围明显增大。(极限转速的详情请参考尺寸表)


●润滑脂油嘴标准装备

润滑脂油嘴(M5x0.8)为标准装备,有两个注油口,易于使用,且容易与集中配管连接。


●接触式密封圈

采用接触式密封圈,螺母外观与管循环式相比,实现了紧凑型设计。


●低型设计

NSK滚珠丝杆单元.jpg

配合小型 FA 系统 PSS 型设置专用的低型支撑单元,设计独特新颖。


低生尘 LG2 润滑脂(USS 型)




与原有 FA 系列相比生尘量约为其的 1/100。最适合清洁用途。

滚珠丝杆发尘量比较.jpg


简单的行程设定(FSS 型)




将支撑侧的支撑单元安装到反固定侧的滚珠丝杠螺纹轴上,因此,固定支持构造的行程设定变得更加灵活。NSK 提供支撑侧专用支撑单元。


●行程

NSK滚珠丝杆行程设定.jpg

公称行程:使用时行程的标准值。最大行程:丝杠轴部分长度(L)减去螺母长度得到的螺母实际可移动行程。


●导程精度

PSS 型:C5 级;USS 型:C3级;FSS型:

Ct7 级

T:目标值、e:误差、u:变动


极限转速


d·n

受丝杠轴和螺母的相对的圆周速度限制。

危险速度受丝杠轴的固定有振动数限制。安装方法不同,危险速度会有不同。

使用时,请低于两者中较低的极限转速。详情请参“技术解说篇:导程精度”(B47 页)。


其他

滚珠丝杠的密封、端部循环部等均使用合成树脂。如在极端的环境或特殊环境下使用,或者使用特殊润滑剂和油时,请与 NSK协商。

同时,紧凑型 FA 装有 NSK K1。


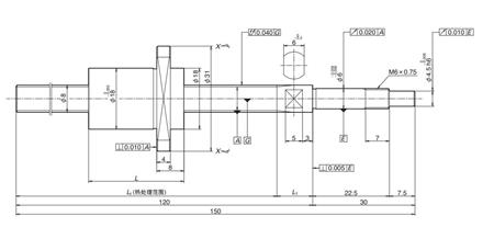
NSK紧凑型滚珠丝杆产品尺寸





紧凑型滚珠丝杆PSS型.jpg

紧凑型滚珠丝杆PSS型



PSS型NSK滚珠丝杆型号参数.jpg


PSS型NSK滚珠丝杆有多种规格和参数,具体可点击链接 PSS型滚珠丝杆





在线留言0755-29695109
姓名:
手机:
备注:

提 交
Baidu
map