精密厚型直角尺549系列 RSK精密直角规 必威平台官网 工具 - batway必威登录

进口加工测量工具综合供应商

全国服务热线:136-1299-7620

139-2374-6165

产品详情分类

精密厚型直角尺549系列

日本RSK厚型精密直角规549系列,在相同尺寸的直角规中最厚,是加厚型直角规,直立使用时,可确保测量的稳定性,适用于机床、机械设备及零部件的垂直度检验,安装加工定位,划线等。

日本RSK厚型精密直角尺549系列


精密厚型直角规.jpg


日本RSK厚型精密直角尺549系列,在相同尺寸的直角规中最厚,是加厚型直角规,直立使用时,可确保测量的稳定性,适用于机床、机械设备及零部件的垂直度检验,安装加工定位,划线等。


RSK厚型精密直角尺特点



(1)在相同尺寸的直角规中最厚,是加厚型直角规,直立使用时,可确保测量的稳定性。


(2)所有型号经过热处理,可根据客户需求特殊精度和尺寸定制。


RSK厚型精密直角尺用途



(1)用于检测工件的垂直度及工件相对位置的垂直度。


(2)适用于机床、机械设备及零部件的垂直度检验,安装加工定位,划线等。


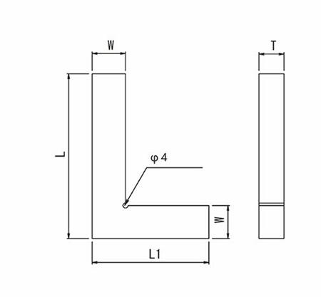
RSK厚型精密直角尺示意图



RSK厚型精密直角尺.jpg

RSK厚型精密直角尺规格参数



订货型号垂直度 ( ±μm)L (mm)L1 (mm)W (mm)T (mm)重量 (㎏ )
549-05012.5504015100.1
549-07513.7755018120.2
549-10015.01007020150.4
549-12516.21258020150.5
549-15017.515010025200.9
549-20020.0200130

30

201.4
549-25022.525014535252.5
549-30025.030017035253.0


在线留言0755-29695109
姓名:
手机:
备注:

提 交
Baidu
map