圆形吸盘|电磁吸盘|永磁吸盘 必威平台官网 工具总代理075529695109 - batway必威登录

进口加工测量工具综合供应商

全国服务热线:136-1299-7620

139-2374-6165

产品详情分类

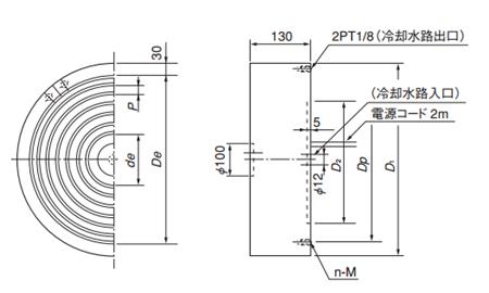
KCC-35RA日本强力圆形水冷电磁吸盘

很小精度的改变;强力独有的冷却机构设计使温度上升很小;吸盘的变形量很小,所以最适合用在高精度研磨工序上.

KCC-35RA日本强力圆形水冷电磁吸盘



电磁吸盘特点:



     很小精度的改变;强力独有的冷却机构设计使温度上升很小;吸盘的变形量很小,所以最适合用在高精度研磨工序上.

  【产品应用】

   此型号适合循环,旋转式研磨机床上使用.


电磁吸盘参数



在线留言0755-29695109
姓名:
手机:
备注:

提 交
Baidu
map