KEC磁性吸盘|日本强力磁性吸盘|进口磁性吸盘 必威平台官网 工具总代理075529695109 - batway必威登录

进口加工测量工具综合供应商

全国服务热线:136-1299-7620

139-2374-6165

产品详情分类

KEC-40ARE日本强力电磁吸盘

吸盘安装在旋转磨床,车床,旋转式铣床上,适合研磨和切削工序

KEC-40ARE日本强力电磁吸盘



电磁吸盘特性:



 相对机械装夹薄的工件,容易导致工件扭曲变形来说,圆环形KEC-40ARE电磁吸盘在高精确的加工更能提供一致吸引力来固定工件.

  在重切削工件时,星形KEC-32ASE能提供强大的磁力来固定工件.

  【产品应用】

  吸盘安装在旋转磨床,车床,旋转式铣床上,适合研磨和切削工序;这种吸盘有两种型号;在选择型号时,主要是根据表盘上是何种加工工序来决定;圆环形应用在研磨工序上,星形应用在切削工序上.


电磁吸盘参数



【环形规格】



【星形规格】


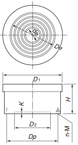
                         【圆环形尺寸图】                        【星形尺寸图】

        

在线留言0755-29695109
姓名:
手机:
备注:

提 交
Baidu
map