日本SK螺纹孔定位规 螺孔与螺孔边距 三坐标量测工具 - batway必威登录

进口加工测量工具综合供应商

全国服务热线:136-1299-7620

139-2374-6165

产品详情分类

螺纹孔定位规

日本奥爵士OJIYAS螺纹孔定位规,主要用于检测螺孔和螺孔、螺孔与边距之间的尺寸距离,在三坐标量床上广泛使用。

日本奥爵士OJIYAS螺纹孔定位规

螺纹孔定位规.jpg


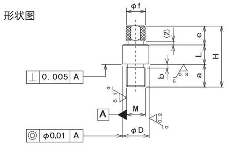
日本奥爵士OJIYAS螺纹孔定位规,主要用于检测螺孔和螺孔、螺孔与边距之间的尺寸距离,在三坐标量床上广泛使用。螺纹与量测面之间的直角度0.005mm,螺纹与两侧面之间的同轴度0.01mm.


螺纹孔定位规产品形状图




螺纹孔定位规产品尺寸.jpg

螺纹定位规产品应用




螺纹孔定位规的使用.jpg

螺纹孔定位规的应用.jpg


螺纹孔定位规产品型号及参数



M3-M20 所有螺纹定位规之螺纹都是Go端之螺纹量规,OJIYAS提供ISO 和JIS二种标准,订购时请指明。


螺纹孔定位规型号参数.jpg

螺纹孔定位规产品参数.jpg



在线留言0755-29695109
姓名:
手机:
备注:

提 交
Baidu
map