MB-L-45磁性底座|强力磁性底座|进口磁性底座 必威平台官网 工具总代理075529695109 - batway必威登录

进口加工测量工具综合供应商

全国服务热线:136-1299-7620

139-2374-6165

产品详情分类

MB-L-45日本强力磁性底座

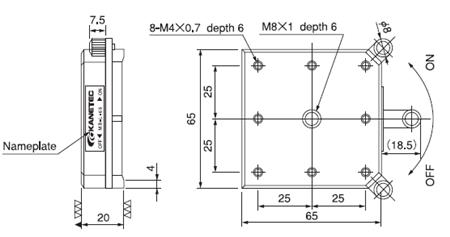
具有磁力开关,满足各种用途.
可做仪器固定基座、测量基座使用(螺纹孔用来安装夹具).

MB-L-45日本强力磁性底座


磁性座特点:



具有磁力开关,满足各种用途.

可做仪器固定基座、测量基座使用(螺纹孔用来安装夹具).


磁性座参数:





在线留言0755-29695109
姓名:
手机:
备注:

提 交
Baidu
map