三丰mitutoyo指针式百分表2050S 量程20mm 带耳后盖 - batway必威登录

进口加工测量工具综合供应商

全国服务热线:136-1299-7620

139-2374-6165

产品详情分类

mitutoyo指针式百分表2050S

日本三丰mitutoyo指针式百分表2050S,测量范围20mm,精度0.01mm,带耳后盖型。长行程型指针指示表,防水型指示表具有57mm外径的前框,所有型号都有限值爪和紧锁装置,扇形齿轮使用特俗合金,提高了耐磨性。

 日本三丰mitutoyo指针式百分表2050S


2050S三丰百分表.jpg


   日本三丰mitutoyo指针式百分表2050S,测量范围20mm,精度0.01mm,带耳后盖型。长行程型指针指示表,防水型指示表具有57mm外径的前框,所有型号都有限值爪和紧锁装置,扇形齿轮使用特俗合金,提高了耐磨性。


三丰百分表2050S产品特点




三丰百分表2050S产品图示.jpg

 

   1.防水型指示表具有57mm外径的前框,所有型号都有限值爪和紧锁装作;

    2.表盘和表蒙之间通过0型环很好地紧固粘着,起到防水放油的效果;

    3.高强度淬火不锈钢测杆,适于高强度测量;

    3.采用硬质合测针;

    4.扇形齿轮使用特俗合金,提高了耐磨性;

    5.表蒙采用硬涂层,具有防刮擦和防化学试剂的能力。

    6.锁紧装置和提升杆*(选件)可装在左侧或右侧,这些零件可轻易组装而不需要借助工具;

    *不可用于防水型


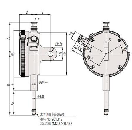
三丰百分表2050S产品尺寸



产品尺寸.jpg

2050S三丰百分表参数.jpg


三丰百分表2050S型号及参数



2050S三丰百分表产品规格.jpg

在线留言0755-29695109
姓名:
手机:
备注:

提 交
Baidu
map