三丰太阳能数显千分表542-500 -mitutoyo数显指示表 - batway必威登录

进口加工测量工具综合供应商

全国服务热线:136-1299-7620

139-2374-6165

产品详情分类

mitutoyo数显千分表542-500

三丰mitutoyo太阳能数显千分表543-500,分辨力0.001mm,测量范围12.7mm,是一款环保型的太阳能电源测量仪器,不需要电池,既降低了成本又减少了对环境的影响。

三丰mitutoyo太阳能数显千分表543-500


三丰数显千分表.jpg


    三丰mitutoyo太阳能数显千分表543-500,分辨力0.001mm,测量范围12.7mm,是一款环保型的太阳能电源测量仪器,不需要电池,既降低了成本又减少了对环境的影响。


太阳能数显指示表543系列产品特点


(1)太阳能环保型

  环保型测量仪器,不需要电池,既降低了成本又减少了对环境的影响,可以在低于室内照明条件的最小40Lux下使用。


(2)大容量充电型

大容量充电功能可以在关照条件下低于最小水平条件下延长指示表使用周期。


(3)人性化按钮

 所有功能都可以通过指示表前面的两或三大按钮操作。


(4)即使显示消失扔能进行原点记录

  指示表包括一个ABS传感器,可以预先设置原点,即使由于光照不足显示消失也能修复,方便恢复测量。适合在连续测量时使用,ID-SS 的这个特性是长期或多点测量的典范。


三丰数显指示表543产品型号及参数




货号型号分辨力测量范围全量程精度回程误差重复精度备注
543-500ID-S112S0.001mm12.7mm0.003mm0.002mm0.002mm带耳后盖
543-500BID-S112SB0.001mm12.7mm0.003mm0.002mm0.002mm平型后盖
543-505ID-S1012S0.01mm12.7mm0.02mm0.02mm0.01mm带耳后盖
543-505BID-S1012SB0.01mm12.7mm0.02mm0.02mm0.01mm平型后盖


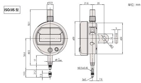
三丰数显指示表543产品尺寸


三丰数显千分表.jpg






在线留言0755-29695109
姓名:
手机:
备注:

提 交
Baidu
map