MPV-CF50A|日本强力虎钳|线路板专用夹持器 必威平台官网 工具总代理075529695109 - batway必威登录

进口加工测量工具综合供应商

全国服务热线:136-1299-7620

139-2374-6165

产品详情分类

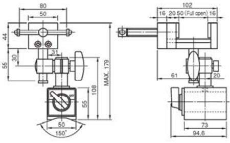
MPV-F50A日本强力线路板专用虎钳

可以根据加工的形状和加工方向自由倾斜。

MPV-F50A日本强力线路板专用虎钳


产品特性:



适合组装中暂时夹持工件。

适合手动归档等工作和非磁性材料的钻孔和攻丝。

特性】

强大吸力的磁性底座,可开/关,便于安装在机床上。

可以根据他们的形状和加工工件的方向自由倾斜。

盘子上的工件夹紧部分的尼龙保持器零件强烈。

夹持板是可交换的。(可选)


产品参数:



型号

吸着力

重量

MPV-F50A

780N(80kgf)

2.7kg


在线留言0755-29695109
姓名:
手机:
备注:

提 交
Baidu
map