日本东日tohnichi扭力扳手校正仪LC20N3 - batway必威登录

进口加工测量工具综合供应商

全国服务热线:136-1299-7620

139-2374-6165

产品详情分类

扭力扳手校正仪LC20N3

日本东日tohnichi扭力扳手检查器,用于扭力扳手的日常检查和一个检查器,可以让您轻松检查螺母扳手的角度和扭矩。

tohnichi扭力扳手校正仪


扭力扳手校正仪LC200N3.png

LC200N3


    日本东日tohnichi扭力扳手校正仪,用于扭力扳手的日常检查和一个检查器,可以让您轻松检查螺母扳手的角度和扭矩。主要产品型号有:LC20N3、LC200N3、LC1000N3、LC1400N3。

LC1000N3.jpg

LC1000N3


扭力扳手校正仪工作原理



扭力扳手检视器测量.png

    通过显示器的颜色,您可以一目了然地判断您是通过还是失败。

    白色:测量 蓝色:判断结果为 OK(通过) 红色:判断结果为 NG(失败)


扭力扳手校正仪的用途




    通过检查线路侧扭矩扳手的精度来“拧紧保证”(日常检查)。

    猜测最佳的下一次校准时间。(预防性的维护)

    LC20N3 还可用于检查扭矩驱动器的扭矩。


扭力扳手校正仪特征




    配备“合格/不合格判断功能”,黑色遮罩液晶。

    价格低、结构紧凑、范围广、精度高。

    可以读取实际操作扭矩(专利)。

    内置统计功能。

    自动计算样本数、最大值、最小值、平均值。

    六角接头可自由组合。

    电源为AC100V至240V±10%的全球设计。

    电池组可作为选件提供。

    与在欧盟范围内使用兼容。

    带有 CE 标志。

    我们还拥有为日本的飞机工业制造美制单位(lbf、in 等)和出口到美国的记录,以及出口到亚洲的公制(kgf、cm 等)规格。

    您可以免费下载使用 Excel (R) 进行数据管理的有线数据输入工具“DtRcv(数据接收器)”。* “ExRcv(Excel 接收器)”已于 2021/3 更新为“DtRcv(数据接收器)”。* Excel (R) 是微软公司的注册商标。


扭力扳手校正仪配件




    AC 适配器 (BA-6)

    LC 用六角适配器组 (LC20N3: No.282, LC200N3: No.280)

    插座适配器(LC20N3:No.1282、LC200N3:No.1280、LC1000N3:No.274、LC1400N3:No.276)

    固定版(LC1000N3、LC1400N3)


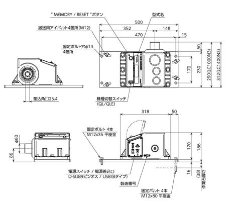
扭力扳手校正仪尺寸



LC20N3、LC200N3.jpg

    扭力扳手校正仪LC20N3、LC200N3尺寸

LC1000N3-G、LC1400N3-G.jpg

    扭力扳手校正仪LC1000N3-G、LC1400N3-G尺寸


在线留言0755-29695109
姓名:
手机:
备注:

提 交
Baidu
map