孔雀大量程百分表有哪些型号? peacock百分表代理 - batway必威登录

进口加工测量工具综合供应商

全国服务热线:136-1299-7620

139-2374-6165

产品详情分类

peacock大量程百分表

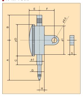
孔雀peacock大量程百分表,主要型号有307,507,509,809这几个型号。测量范围:30mm、50mm、80mm这几个规格。必威平台官网 工具一级代理商,价格实惠。

日本孔雀peacock大量程百分表



孔雀大量程百分表.png


孔雀大量程百分表.png


孔雀百分表型号参数.png

在线留言0755-29695109
姓名:
手机:
备注:

提 交
Baidu
map