日本强力磁性方箱KYA-8B 方型永磁吸盘 - batway必威登录

进口加工测量工具综合供应商

全国服务热线:136-1299-7620

139-2374-6165

产品详情分类

强力磁性方箱KYA-8B

日本强力kanetec方型磁性方箱KYA-8B,适用于固定工件进行轻型加工,适合安装在放电加工机、走丝切割和研磨机上固定工件,适合安装在三维测量仪器以及其它测量设备上固定工件。

日本强力kanetec方型磁性方箱KYA-8B


日本强力kanetec方型磁性方箱KYA-8B,尺寸80*80mm,吸着力120N,防水防油设计,有标准/特级两种精度可以选。

产品特性



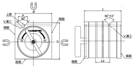
磁性块有三面可以用来吸着工件,包括V槽面和两侧面.

T型磁力开关钮与磁性块分离.

防油和防水KYA-18型号的磁块有M8的螺纹孔,方便被提起.

如需要超高精度的表面,请在订购前说明


强力磁性方箱应用场景


适用于固定工件进行轻型加工;

适合安装在放电加工机、走丝切割和研磨机上固定工件;

适合安装在三维测量仪器以及其它测量设备上固定工件。


强力磁性方箱产品参数


型号

吸着力

使用可能径

本体寸法

重量

V槽①

V槽2

V槽①

V槽2

方型永磁吸盘KYA-8B

120N(12kgf)

100N(10kgf)

φ10~φ25

φ8~φ15

80×80×80

3.5kg

方型永磁吸盘KYA-10B

200N(200kgf)

120N(12kgf)

φ10~φ35

φ10~φ30

100×100×100

7kg

方型永磁吸盘KYA-13B

300N(30kgf)

250N(25kgf)

φ10~φ40

φ10~φ26

125×125×125

14kg

方型永磁吸盘KYA-15B

400N(40kgf)

400N(40kgf)

φ10~φ38

150×150×150

23kg

方型永磁吸盘KYA-18B

300N(30kgf)

φ14~φ50

φ14~φ50

180×180×180

37kg

方型永磁吸盘KYA-20B

650N(65kgf)

650N(65kgf)

200×200×200

51kg


方型永磁吸盘产品精度表



在线留言0755-29695109
姓名:
手机:
备注:

提 交
Baidu
map