强力永电磁吸盘|磁性吸盘|真空吸盘 强力KANETEC代理商 - batway必威登录

进口加工测量工具综合供应商

全国服务热线:136-1299-7620

139-2374-6165

产品详情分类

强力永电磁吸盘EPB型

日本强力EPB型永电磁吸盘,适用于CNC数控机床使用,具有超强的磁力可吸着工件,最适用在5轴加工机上。

日本强力KANETEC永电磁吸盘EPB系列


强力永电磁吸盘.png



强力EPB系列永电磁吸盘特性


(1) 5面磁性,可以缩短设置时间。

(2) 此款吸盘可用于湿加工,可以像传统吸盘一样加工。

(3) 通过电力控制吸盘开关,安装和拆卸工件时,没有热生成,确保高精度加工操作。

(4) 在电源故障时,依旧保持吸力,从而提高安全。


永电磁吸盘的特点



永电磁吸盘可以在短时间内完成充磁,充磁后不需要再供应电源。

吸盘本身不会因升温而产生变形,可以进行高精度加工,且可以达到省电效果。


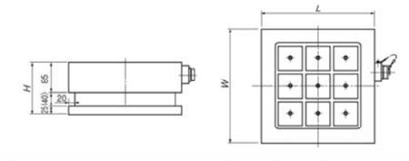
强力永电磁吸盘尺寸


强力永电磁吸盘EPB系列型号参数



型号磁极尺寸磁极数吸着力适用整流器
EPB-1F1625A    70
2个11.8KN


EPS-P2100B

EPB-1F2525A4个23.5KN
EPB-1F3333A9个53.0KN


在线留言0755-29695109
姓名:
手机:
备注:

提 交
Baidu
map