汽车变速箱离合器鼓轮去毛刺-NAKANISHI浮动电主轴 - batway必威登录

进口加工测量工具综合供应商

全国服务热线:136-1299-7620

139-2374-6165

产品详情分类

汽车离合器鼓轮浮动去毛刺

汽车变速箱离合器鼓轮底部去毛刺,推荐使用NAKANISHI高速电主轴搭配浮动打磨头,加装在去毛刺机、机械臂末端或者非标设备上,通过程序调整主轴的打磨轨迹,达到理想的打磨抛光效果。

 汽车离合器鼓轮底盘自动化去毛刺方案


汽车离合器鼓轮去毛刺.jpg


   汽车离合器鼓轮是汽车变速器的一部分,离合器鼓轮底盘,底部和侧面分别分均分布着8个不规则的孔,这些孔边缘毛刺都需要去除,而且形状不规格,手工打磨人工成本高,效率低,推荐使用机械臂或者非标设备进行自动化去除这些孔边缘毛刺。具体方案如下:


汽车离合器骨轮底部去毛刺.jpg


    高速电主轴NR-453E+电主轴EM-3060J+浮动装置AF-30,应用于6轴去毛刺机器上就能使用。如下图所示:


机器人浮动去毛刺电主轴.jpg


汽车离合器鼓轮底盘自动化去毛刺加工条件如下:



机器
FANUC 6轴机械臂 LR Mate 200iD(也可以选择国产机器人或者非标设备)
主轴+马达+浮动装置电主轴NR-453E+电马达EM-3060J+ FINE TECHNO浮动头AF-30
刀具钨钢钻 φ9.5×8L×φ6  CB46C102S 60°
工件材质高强度钢 (SAPH)
去毛刺条件长孔毛刺 宽1mm×深度0.5mm×16处
主轴转速

14,000 min-1



汽车离合器鼓轮底盘自动化去毛刺套装



NR-453E浮动电主轴.png


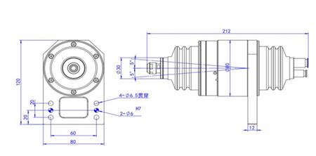
(1)高速电主轴NR-453E ,转速高达5万转/min,跳动精度1μm以内,直径30mm,重量440g,可夹持刀具柄径0.5-6.35mm。


高速电主轴马达EM-3060J.jpg


(2)高速电主轴马达EM-3060J,转速1000-60000转可调,输出功率350W。

AF-30浮动打磨头.jpg


(3)日本FINE TECHNO浮动打磨头AF-30,可装夹30mm直径的电主轴,可自行调节浮动力大小,实现轴向上下8mm,径向左右5°浮动,实现柔性去毛刺功能!


NAKANISHI浮动电主轴.jpg


上 图为汽车离合器鼓轮底盘去毛刺方案的整套配置,NAKANISHI控制器E3000,可以控制浮动电主轴的启停,调整转速,故障保障等功能。




在线留言0755-29695109
姓名:
手机:
备注:

提 交
Baidu
map