强力永磁吸盘|可调磁性吸盘|进口吸盘 必威平台官网 工具总代理075529695109 - batway必威登录

进口加工测量工具综合供应商

全国服务热线:136-1299-7620

139-2374-6165

产品详情分类

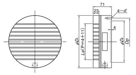
RAM-C16日本强力可调磁力永磁吸盘

适合控制薄板,可直接夹紧,不需要需要附件协助。

RAM-C16日本强力可调磁力永磁吸盘


永磁吸盘性能:



这种永磁吸盘,产生强大的吸引力。它可以用于各种铣削工作程序。

磁力可调

棘轮扳手操作开关,安全系数更高。

吸引力是传统模式的1.5倍。(9毫米厚度的板)


永磁吸盘参数:





在线留言0755-29695109
姓名:
手机:
备注:

提 交
Baidu
map