RBZ-C40单向浮动主轴 自动化浮动去毛刺解决方案 - batway必威登录

进口加工测量工具综合供应商

全国服务热线:136-1299-7620

139-2374-6165

产品详情分类

RBZ-C40单向浮动主轴

RBZ-C40单向浮动主轴,轴向浮动,浮动距离10mm,浮动力可通过气压调节,可加装直径40mm的电动主轴,可使用耗材:旋转锉、立铣刀、锥度铣刀、钻头、 金钢石磨头、钢丝刷。适合加工端面、顶针位、孔口、孔边毛刺等。

    RBZ-C40单向浮动去毛刺主轴

单相浮动主轴.jpg


    RBZ-C40单向浮动主轴,轴向浮动,浮动距离10mm,浮动力可通过气压调节,可加装直径40mm的电动主轴,可使用耗材:旋转锉、立铣刀、锥度铣刀、钻头、 金钢石磨头、钢丝刷。适合加工端面、顶针位、孔口、孔边毛刺等。


 RBZ-C40单向浮动主轴产品特点



    1.单向浮动,实现轴向浮动10mm;

    2.可夹持40mm的电动主轴,气动锉刀;

    3.浮动力可通过气压调节。

    浮动主轴可搭配加工工具:

    立铣刀、旋转锉、锥度铣刀、钢丝刷、金钢石磨头,钻头。


RBZ-C40单向浮动主轴产品参数



    型号:RBZ-80

    浮动方式:单向

    浮动范围:轴向10mm

    浮动压力:0.05-0.5Mpa

    动力形式:电动

    功率:800w

    电源:220v

    转速:24000

    扭矩:0.8N·m

    夹头:ER11

    冷却方式:气冷

    重量:6Kg


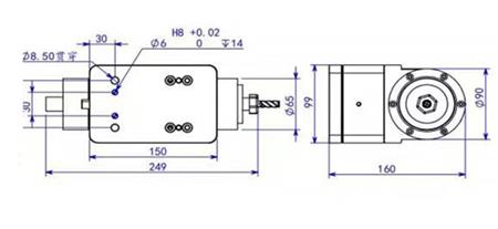
RBZ-C40单向浮动主轴产品尺寸


RBZ-C40单向浮动主轴产品尺寸.jpg


RBZ-C40单向浮动主轴实拍展示



RBZ-C40单相浮动主轴正面.jpg


RBZ-C40单相浮动主轴侧面.jpg

RBZ-C40浮动浮动主轴正面.jpg


在线留言0755-29695109
姓名:
手机:
备注:

提 交
Baidu
map