RBZ-C65单向浮动电主轴 径向浮动主轴 必威平台官网 工具 - batway必威登录

进口加工测量工具综合供应商

全国服务热线:136-1299-7620

139-2374-6165

产品详情分类

RBZ-C65单向浮动电主轴

RBZ-C65单向浮动电主轴,转速24000转/min,单向轴向浮动10mm,大扭矩,可通过气压调整浮动的力度,自带风扇散热。适合加工顶针位,端面,孔边,孔口毛刺。

RBZ-C65单向浮动电主轴


RBZ单行浮动电主轴.png


    RBZ-C65单向浮动电主轴,转速24000转/min,单向轴向浮动10mm,大扭矩,可通过气压调整浮动的力度,自带风扇散热。适合加工顶针位,端面,孔边,孔口毛刺。


RBZ-C65单向浮动主轴产品特点



    1.智能自适用加工,适合加工顶针位,端面,孔边,孔口毛刺。

    2.灵活转向,单向浮动,浮动距离10mm,可通过气压调整浮动的力度,自带风扇散热。


RBZ-C65单向浮动主轴推荐耗材



    立铣刀、旋转锉、锥度铣刀、钢丝刷、金钢石磨头、钻头。


RBZ-C65单向浮动主轴产品参数



    型号:RBZ-C65

    浮动方式:单向

    浮动范围:10mm

    浮动压力:0.05-0.5MPa

    动力形式:电动

    功率:800w

    电源:220V

    转速:24000

    扭矩:0.8N.m

    夹头:ER11

    冷却方式:气冷

    重量:6Kg


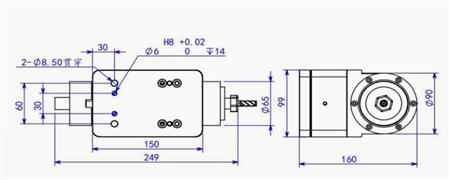
RBZ-C65单向浮动主轴产品尺寸



单向浮动打磨主轴.png


在线留言0755-29695109
姓名:
手机:
备注:

提 交
Baidu
map