法兰盘高速电主轴 转速8万可调 津上高频铣动力头 - batway必威登录

进口加工测量工具综合供应商

全国服务热线:136-1299-7620

139-2374-6165

产品详情分类

RBZ法兰盘电主轴8万转

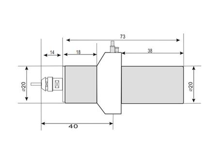
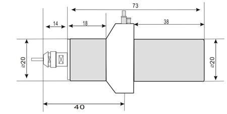
RBZ法兰盘高速电主轴2080-BME8,是一款专为走心机而设计的高速电主轴,转速1000-80,000rpm可调,跳动精度3μm以内,外径20mm,可直接加装在津上走心机刀座孔内就能使用。使用Er8夹头,夹持刀具柄径1.0mm-4.0mm。

走心机法兰盘高速电主轴2080-BME8  转速8万  外径20mm


法兰盘电主轴.jpg


RBZ法兰盘高速电主轴2080-BME8,是一款专为走心机而设计的高速电主轴,转速1000-80,000rpm可调,跳动精度3μm以内,外径20mm,可直接加装在津上走心机刀座孔内就能使用。使用Er8夹头,夹持刀具柄径1.0mm-4.0mm。


8万转法兰盘高速电主轴产品参数



    型号:2080-BME8

    直径: φ20mm

    转速:1000-80,000rpm

    精度:3um

    夹头类型:Er8

    功率:150W

    重量:270G

    扭矩: 0.6Ncm

    防护等级:Ip64

    标配夹头: 1个Er11

    夹持范围:1.0mm-4.0mm

    板手:2


8万转法兰盘高速电主轴扭矩输出特性




8万转法兰盘电主轴.jpg

在线留言0755-29695109
姓名:
手机:
备注:

提 交
Baidu
map