KYB-8A|强力磁性方箱|进口磁性方箱 必威平台官网 工具总代理075529695109 - batway必威登录

进口加工测量工具综合供应商

全国服务热线:136-1299-7620

139-2374-6165

产品详情分类

日本强力磁性方箱KYB-8A

模块设计、轻量化、使用方便。
配有专用T型手柄(或六角轴销扳手)可切换ON\OFF。
设计成防水、耐油结构。

日本强力磁性方箱KYB-8A



产品特性:



可上面(V面)单面吸附。

圆形棒料的划线、开孔、仿形、异型物等切削时的固定夹具,电火花、线切割加工的固定夹具。

三维测量仪以及各种计量,测量系统的固定夹具。

特长:

模块设计、轻量化、使用方便。

配有专用T型手柄(或六角轴销扳手)可切换ON\OFF。

设计成防水、耐油结构。


产品规格:




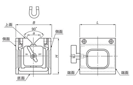
产品尺寸:


在线留言0755-29695109
姓名:
手机:
备注:

提 交
Baidu
map