强力永磁吸盘|微型永吸盘|进口磁性吸盘 必威平台官网 工具总代理075529695109 - batway必威登录

进口加工测量工具综合供应商

全国服务热线:136-1299-7620

139-2374-6165

产品详情分类

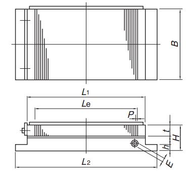
RMWH-X日本强力微型永磁吸盘

这个系列是专为用户加工较小、薄的工件设计,深受用户喜欢。

RMWH-X日本强力微型永磁吸盘




磁性吸盘特点:



这个系列是专为用户加工较小、薄的工件设计,深受用户喜欢

【特点】

磁极是超微型距1.20.2 + 1

对薄板吸引力高于其他系列RMWH-A-HC


磁性吸盘参数



在线留言0755-29695109
姓名:
手机:
备注:

提 交
Baidu
map