强力正弦磁台|高精密正弦磁台|钢化正弦磁台 必威平台官网 工具总代理075529695109 - batway必威登录

进口加工测量工具综合供应商

全国服务热线:136-1299-7620

139-2374-6165

产品详情分类

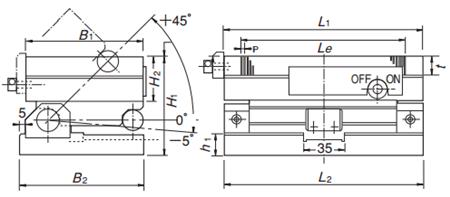
SBP-R-S日本强力钢化正弦磁台

因为使用永久磁铁,没有热生成,保证加工的精密性。

SBP-R-S日本强力钢化正弦磁台



磁性吸盘特点:



外侧长类型长一侧倾斜轴精密磨削和测量。

整个正弦磁盘是表面是有特殊钢铁硬化处理,确保长时间使用也能保证精密的磨削和测量。

因为使用永久磁铁,没有热生成,保证加工的精密性。



磁性吸盘参数:




在线留言0755-29695109
姓名:
手机:
备注:

提 交
Baidu
map