日本强力正弦磁台|可调角度正弦磁台|永磁正弦磁台 必威平台官网 工具总代理075529695109 - batway必威登录

进口加工测量工具综合供应商

全国服务热线:136-1299-7620

139-2374-6165

产品详情分类

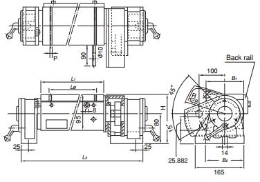
SBP-R-UR日本强力可调角度正弦磁台

适用于研磨相对较小和薄,而且精度要求高的磨具和夹具。

SBP-R-UR日本强力可调角度正弦磁台



磁性吸盘特点:



适用于研磨相对较小和薄,而且精度要求高的磨具和夹具。

特性

不需要电力,从而不产生热量。保持精度的稳定性。

机械功能和特性与SBE系列的基本相同。



磁性吸盘参数:





在线留言0755-29695109
姓名:
手机:
备注:

提 交
Baidu
map