teclock针盘式厚度计SM-528|各种量表|batway必威登录

进口加工测量工具综合供应商

全国服务热线:136-1299-7620

139-2374-6165

产品详情分类

teclock针盘式厚度计SM-528

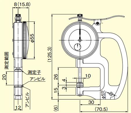
SM-528量程为0-20mm,主要用于皮革、布匹、金属、晶体、橡胶、塑料、纸、毛毡、毛发、真珠等厚度和直径的尺寸的测定器。

teclock针盘式厚度计SM-528


产品特点:



SM-528针盘式厚度计能够很容易精确地测量金属、晶体、橡胶、塑料、纸、毛毡、毛发、真珠等厚度和直径的尺寸的测定器。

目量0.01mm

测量范围20mm

测定子、铁砧=陶制器



产品参数及尺寸:



型号

目量(mm)

测量范围(mm)

指示误差(um)

平行度(um)

刻度范围

测定力(N)

测定子形状(mm)

铁砧形状(mm)

质量(g)

SM-528

0.01

20

±20

5

0-50-100

3.5以下

∮10平

∮10平

200

SM-528LS

0.01

20

±20

-

0-50-100

3.5以下

∮3.2球状

∮10平

200

SM-528LW

0.01

20

±20

-

0-50-100

3.5以下

∮3.2球状

∮3.2球状

200

SM-528-3A

0.01

20

±20

5

0-50-100

3.5以下

∮5平

∮5平

200

SM-528-80g

0.01

20

±20

5

0-50-100

终压0.8±0.05以下

∮10平

∮10平

200

SM-528FE

0.01

20

±20

5

0-50-100

3.5以下

∮10平钢

∮10平钢

200


在线留言0755-29695109
姓名:
手机:
备注:

提 交
Baidu
map