日本强力铁板分离KF-5B铁板分离器 必威平台官网 工具总代理 - batway必威登录

进口加工测量工具综合供应商

全国服务热线:136-1299-7620

139-2374-6165

产品详情分类

铁板分离器KE-20

日本强力铁板分离器KF系列,采用高性能磁石制成,很轻易的固定在机器上,把钢板一块一块分开,应用在钢板自动供给的生产线或者一块一块送进机床里加工等场合。

日本强力KANETEC铁板分离器KF系列

铁板分离器KF-20.png


日本强力铁板分离器KF系列,采用高性能磁石制成,很轻易的固定在机器上,把钢板一块一块分开,应用在钢板自动供给的生产线或者一块一块送进机床里加工等场合。产品型号有:KF-5B、KF-10、KF-20、KF-30、KF-40。


强力铁板分离器产品特性


       (1)磁极面上的两根铁条保证了高度的分离能力。

   (2)除了能分离钢板外,同时使用几个分离器一样可以分离冲压好形的的、圆、不规则的工件。

   (3)高性能磁石的采用,很轻易的固定在机器上;成套的两个分离器的钢板的大小、形状、重量都是一致的。

   (4)一套包含两个分离器。

强力铁板分离器使用视频



       


强力铁板分离器产品规格型号


铁板分离器型号.png


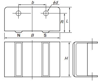
强力铁板分离器产品尺寸


在线留言0755-29695109
姓名:
手机:
备注:

提 交
Baidu
map