西铁城CITIZEN界限量表|信号指示量表|千分表|精密量具|必威平台官网 代理 - batway必威登录

进口加工测量工具综合供应商

全国服务热线:136-1299-7620

139-2374-6165

产品详情分类

西铁城CITIZEN界限量表2S-100

信号指示量表是指指针式量表与电气接点的组合,可以在测定状态中传送3段或5段的区别信号。不仅被广泛使用在钟表生产线,也常备应用在汽车引擎,轴承等生产线上,发挥着自动化检查与选别的威力。

西铁城CITIZEN界限量表2S-100



产品应用: 




信号指示量表是指指针式量表与电气接点的组合,可以在测定状态中传送3段或5段的区别信号。不仅被广泛使用在钟表生产线,也常备应用在汽车引擎,轴承等生产线上,发挥着自动化检查与选别的威力



产品特点: 


易读数的大刻度盘

实惠的价格



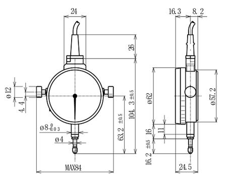
产品规格与尺寸: 





在线留言0755-29695109
姓名:
手机:
备注:

提 交
Baidu
map