信号指示表是指针式量表与电气接点的组合,可以在测定状态中传送3段或5段的区别信号。不仅被广泛使用在钟表生产线,也常被应用在汽车引擎,轴承等生产线上,发挥着自动化检查与选别的威力。
日本西铁城界限量表2S-010
界限量表2S-010产品特性:
信号指示表是指针式量表与电气接点的组合,可以在测定状态中传送3段或5段的区别信号。不仅被广泛使用在钟表生产线,也常被应用在汽车引擎,轴承等生产线上,发挥着自动化检查与选别的威力。
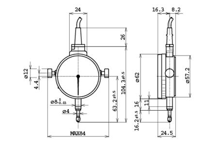
界限量表2S-010产品尺寸图:
界限量表2S-010产品详情参数:
模型 | 界限量表2S-100 | 界限量表2S-200 | 界限量表2S-010 | 界限量表2S-010FIIS | ||||
精度 | 1μm | 2μm | 10μm | 20μm | ||||
范围 | 精度±0.05mm | 为±0.1mm | ±0.6毫米 | ±0.5 | ||||
准确性 | ±1μm | ±1.5μm | ±5μm | ±15μm | ||||
测力 | 1.18N | 0.78N | ||||||
最大行程 | 2.8毫米 | |||||||
电压 | DC 24 V毫安 | |||||||
标准 | 测针1 | F-001 | ||||||
附件 | ||||||||
测针2 | 平背(F-M101) | |||||||
电缆 | 3SMA-0061-1.5(1.5米) | |||||||
选项 | 提升杆 | M-140 | ||||||
可选电缆 | 长度 | 3米 | 5米 | 10M(订货生产) | ||||
模型 | 3SMA-0061-3 | 3SMA-0061-5 | 3SMA-0061-10 |
姓名: |
|
手机: | |
备注: |
|
提 交 |