日本强力kanetec可调圆形磁性吸盘RMC-13|圆形电磁吸盘 - batway必威登录

进口加工测量工具综合供应商

全国服务热线:136-1299-7620

139-2374-6165

产品详情分类

圆形电磁吸盘RMC-13

日本强力kanetec圆形永磁吸盘RMC系列,拥有高性能磁体,适用在磨削操作的旋转磨床,外圆磨床,内圆磨床,并安装在车床进行切削操作。

日本强力磁性可调圆型磁性吸盘RMC-13


圆形永磁吸盘RMC-32.png


日本强力kanetec圆形永磁吸盘RMC系列,拥有高性能磁体,适用在磨削操作的旋转磨床,外圆磨床,内圆磨床,并安装在车床进行切削操作。


可调圆形永磁吸盘的特点


永磁吸盘拥有高性能磁体,适用在磨削操作的旋转磨床,外圆磨床,内圆磨床,并安装在车床进行切削操作。

 B”类型,由弱磁力保持工件位置后,之后加大磁力,精细地调节它的固定位置。

可以同时用于磨削和切割操作。

高精度夹头,精度稳定。厚薄工件都适用。


可调型圆形永磁吸盘产品型号



强力圆形永磁吸盘.png


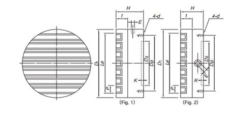
可调型圆形永磁吸盘产品尺寸



可调型圆形永磁吸盘吸着力参数



圆形永磁吸盘吸着力参数.png



在线留言0755-29695109
姓名:
手机:
备注:

提 交
Baidu
map