日本强力kanetec圆形铁板分离器 KF-HC1218铁板分离器 - batway必威登录

进口加工测量工具综合供应商

全国服务热线:136-1299-7620

139-2374-6165

产品详情分类

圆形铁板分离器

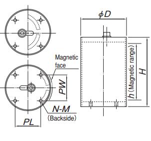
强力圆型铁板分离器,主要用来分离没有直线受力面的钢板。产品型号有:KF-HC0813、KF-HC1208、KF-HC1424。

KF-HC系列日本强力圆形铁板分离器



产品特性:



    调节内磁铁的位置可以改变磁力的大小.

  外形小但磁力强大.

  产品应用

  用来分离没有直线受力面的钢板.



产品参数





在线留言0755-29695109
姓名:
手机:
备注:

提 交
Baidu
map