日本东日tohnichi转盘式峰值扭力计 - batway必威登录

进口加工测量工具综合供应商

全国服务热线:136-1299-7620

139-2374-6165

产品详情分类

转盘式峰值扭力计

日本东日tohnichi转盘式峰值扭力计又称为转盘式峰值扭力计,无需从多轴拧紧装置上拆下螺母扳手,即可实现简单的扭矩检查和角度检查。还支持旋转角度法拧紧。

    东日tohnichi转盘式峰值扭力计ST10N3


ST15N3.jpg


    日本东日tohnichi转盘式峰值扭力计又称为转盘式峰值扭力计,无需从多轴拧紧装置上拆下螺母扳手,即可实现简单的扭矩检查和角度检查。还支持旋转角度法拧紧。


转盘式峰值扭力计应用适用范围




    检查多轴拧紧装置螺母扳手的扭矩和角度。

    ST3-BT/ST3-G-BT 特别适用于“塑性区域旋转角度法紧固”的扭矩/角度检查。

    作为多轴拧紧装置(螺母扳手)的“辅助测量仪器”,取得了多项成果。

    检查角型电动工具和手动螺母扳手的扭矩和角度。

    ST1000N3 非常适合用于拧紧大型车辆车轮螺母的 TW2 系列扭矩扳手和 DQLE1000N2 的扭矩检查(日常检查)。


转盘式峰值扭力计的特点




    数字扭矩校验器世界最小的充电式转盘式扭力计。(PATENTED)

    通过螺母紧固机的扭矩检查(日常检查)可以防止紧固不良品的流出。

    多轴紧固机的扭矩检查(日常检查)和紧固作业可同时进行。与ST3一样长度的延长杆(附件)连接到没有安装SPINTORK?的轴上,不用从多轴紧固装置上拆卸螺母紧固机就能简单地进行扭矩检查,降低了工时。

    螺母紧固机可以进行在线测量。如果是搭载Bluetooth(R)的型号,通过无线就可以进行扭矩检查。

多轴紧固装置的应用实例.jpg

    ST3/ST3-G搭载了角度传感器。如果用螺母紧固机等装配ST3进行紧固作业,可以同时进行扭矩检查、角度检查和紧固作业。(※角度测量是从设定的密合扭矩值开始测量的)

    使用附属的USB连接线连接到PC,通过软件ExRcv for ST3可以在Excel里打开并管理ST3/ST3-G测定的紧固扭矩和角度数据。(ExRcv for ST3可以免费下载)

    ST3-BT/ST3-G-BT可以做成扭矩/角度的图表。连接搭载Bluetooth(R)的ST3-BT测定并记录扭矩和角度,通过无线发送紧固完成数据,PC接收这些数据并通过软件ExRcv for ST3在Excel里打开数据后,能够做成紧固扭矩/角度的图表。(※请顾客自己准备Blutooth?的接收软件。※不是-BT型号的ST3仅能保存最大扭矩和最大扭矩时的角度数据,不能做成图表。)

    追加刀头类型和小型方头型号。追加了ST2系列没有的、可以装配Hex6.35刀头的工具的ST15N3-6.35,以及小型号□9.53方头的ST50N3-3/8。

    可以免费下载有线的数据输入工具“DtRcv(Data Receiver)”,以实现用Excel(R)进行数据管理。※“ExRcv(Excel Receiver)”于2021年3月更新为“DtRcv(Data Receiver)”。※Excel(R)为微软公司的注册商标。

    2020年4月紧固数据管理系统TDMS/TDMSHT升级为Ver3.00,标准规格支持ST3-BT/ST3-G-BT。

    截至2019年9月,ST3-BT/ST3-G-BT符合日本、美国、加拿大、欧盟、泰国、墨西哥、越南、巴西、台湾、中国、新加坡、韩国、俄罗斯和马来西亚的通信标准。


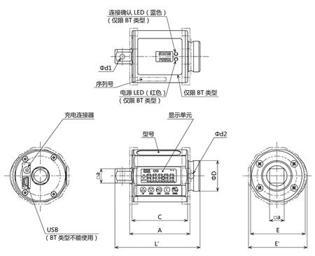
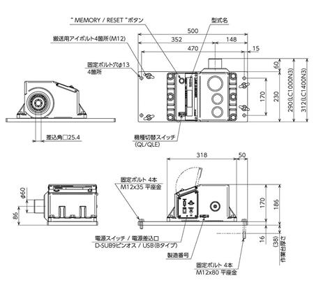
转盘式峰值扭力计产品参数



转盘式峰值扭力计产品尺寸.png

转盘式扭力计产品参数.png




转盘式峰值扭力计使用注意事项




    SPINTORK(R)ST3系列不能连接冲击扳手使用。(由于电子零部件的破损而导致故障和精度不良)

    按照计量法规定,ST3-G/ST3-G-BT系列禁止在日本国内使用和以使用为目的进行销售。


转盘式峰值扭力计标准附件




    充电器BC-4-2、电源变换插头、长期保管用电源插头、便携箱、使用说明书、USB连接线(No.384 ※-BT型号不附带)、校准证书


转盘式峰值扭力计产品尺寸




LC1000N3-G、LC1400N3-G.jpg

ST10N3-G(-BT)~ST1000N3-G(-BT).jpg


在线留言0755-29695109
姓名:
手机:
备注:

提 交
Baidu
map