必威平台官网 产品中心
- 按产品特性分类
- 水平仪 偏心仪 角度计 直角尺 同心度仪 betwayapp官方下载 内外测卡规 打磨机 钻石膏 各种量表 磨刀石 研磨油石 切削刀具 研磨刷 研磨工具 磁性工具 放大镜 内视镜 卡尺 千分尺 圆周尺 扭力工具 针规 间隙规 速度测试 高度尺/计 测量工具 硬度计 段差尺 焊道规 V型座 磁性吸盘 推拉力计 吊重磁盘 工业胶粘剂 研磨抛光 钳类工具 旋具工具 热敏试纸 粘度计 电子称 金属锉刀 复制胶膜 螺帽规 背孔刀 气动主轴 自动换刀主轴 防静电主轴 MSIY电主轴 高精密主轴 大扭矩电主轴 高斯计 直角电主轴 进口百分表 扭力起子 中村扭力扳手 脱磁器 螺纹深度规 主轴增速刀柄 RBZ浮动主轴 中心出水电主轴 气浮主轴 螺纹规
- 365betway
- 工程机械 数控机床 汽车制造 电子/光电 橡胶皮革检测 船舶制造 实验室/研究院 纺织业 精加工 雕刻 珠宝首饰 陶瓷工业 抛光去毛刺 PCB分板机加工 铣削加工 钻孔动力头 医疗加工 走心机高频铣 浮动去毛刺 小径深孔加工
- 按品牌分类
- AAA ASKER B2 BOWERS CITIZEN DMT FUJITOOL FISSO FUJIGEN HONDA GLOI HEINE KANETEC IMADA KANON KAYDIAMOND KROEPLIN MEYER MARUI MITUTOYO NAKANISHI PEACOCK PEAK PHOENIX PI-TAPE 58必威网 RHEINTACHO SK SPI SUN SUPERTECH SWAN UNIVERSAL NOVAPAX XEBEC WIXEY Teclock tohnichi 富士KOSOKU RUBICON KEIBA TAJIMA NIKON Stanley SPI Engeering MARKAL PTC TMC THERMAX RION SHINKO STAO佐藤 TSUBOSAN OSKAR SCHWENK MARK-10 Microset starrett EENPAIX OJIYAS DIGITECH ROECKLE tites swiss Yamato Cherry DAIWA RABIN MSIY NRS PPS NSK
相关资讯
- msiy-62大扭矩电主轴,铣削、钻孔、倒角可使用
- 日本fine-techno浮动打磨主轴AF30和AF40有何区别?
- 日本NAKANISHI高频铣在加工φ0.3mm小孔应用
- 机床设备调试中怎样快速掌握水平仪的操作及实际应用
- 盘点日本NAKANISHI中西E4000电主轴的8大类型
- 架子鼓脚踏板去披锋毛刺,用MSIY-40浮动主轴
- PP塑料飞边去毛刺,机器人加装msiy-40浮动主轴
- KANETEC为您介绍电永磁吸盘4大优势
- 排刀机内圆研磨,加装中西直径25mm电主轴
- 出6套msiy-6208大扭矩电主轴,夹持砂轮打磨抛光
- 超高转速betwayapp官方下载 160000转,微切削专用主轴
- 日本NAKANISHI自动换刀主轴在直角坐标机械手上的应用
- 钢铸件/钢件自动化去毛刺视频-工业机器人去毛刺
- NR-303betwayapp官方下载 --PCB板钻孔专用
- 日本中村KANON扭力工具专业代理商必威平台官网 工具
- 不锈钢钻孔2.5X3mm用MSIY-62主轴为何会振动?
- 日本fine-techno去毛刺浮动,柔性去毛刺加工主轴
- NAKANISHI超声波切割刀US-40C有哪些优势?
- 不锈钢钻深孔,用NAKANISHI大扭矩中心出水电主轴
- 关于气动打磨机,你需要了解这些知识!
产品详情
联系我们
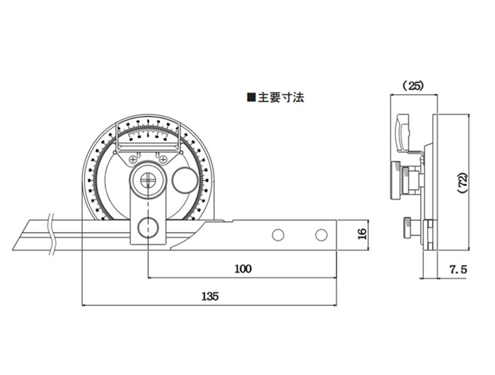
MARUI角度计BP-301
产品特点:

●主要刻度和副尺刻度同一面的斜坡,不同的位置都可读取数值减少误差。
●微动调整读数更精确。
●刻度经过消银处理,不易反光。
●角度计主要部位为不秀刚经过热处理,更耐磨。
●器差±5′
产品尺寸图:


产品参数:

测定范围 | 360°(0-90°×4) |
最小读取值 | 5’ |
精度 | ±5’ |
本体材质 | 不锈钢烧入钢(SUS420J2) |
本体重量 | 180g |
附属品 | 150mm,300mm叶片,锐角附件 |
BP-301角度计,日本MARUI丸井角度计
订购:MARUI角度计BP-301









1960544536 


